首页
产品中心
行星减速机
行走系列
带机械脱离装置
回转减速机
卷扬
驱动产品
自由落钩减速机
电驱产品
一体式挖掘机系列
精密零件加工
关于我们
企业介绍
企业展示
发展历程
企业证书
应用案例
公司新闻
联系我们
简体中文
English
0532-83395326
teng_sun@china-infinity.com
青岛平度市南村镇南海路1号
首页
»
产品中心
»
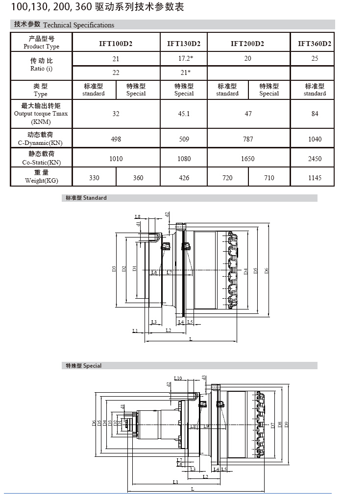
IFT130D系列
产品分类
行星减速机
行走系列
带机械脱离装置
回转减速机
卷扬
驱动产品
自由落钩减速机
电驱产品
一体式挖掘机系列
车桥
精密零件加工
loading
IFT130D系列
状态:
询价
产品描述
上一条:
下一条:
IFT130D系列
电话:
0532-83395326
电子邮件:
teng_sun@china-infinity.com
地址:
青岛平度市南村镇南海路1号
关于我们
青岛银菲特精密机械有限公司,主要从事各类高精密行星减速齿轮机构和传动系统总成及零部件的研发、生产、销售和维修业务。
公司自成立以来,不断推陈出新,研制生产出客户所需的高品质系列产品,并以优异的性价比和便捷的服务,赢得了国内外广大客户的青睐。
快速链接
首页
产品中心
关于我们
应用案例
公司新闻
联系我们
隐私政策
最新消息
平度南村一高端制造企业:依靠核心技术与世界名企结缘
九月 13,2022
平度南村镇智能制造企业“加速跑” 冬奥会首台高空车核心装备独家造
九月 13,2022
订阅
鲁公网安 37028302000257号
0532-83395326
teng_sun@china-infinity.com